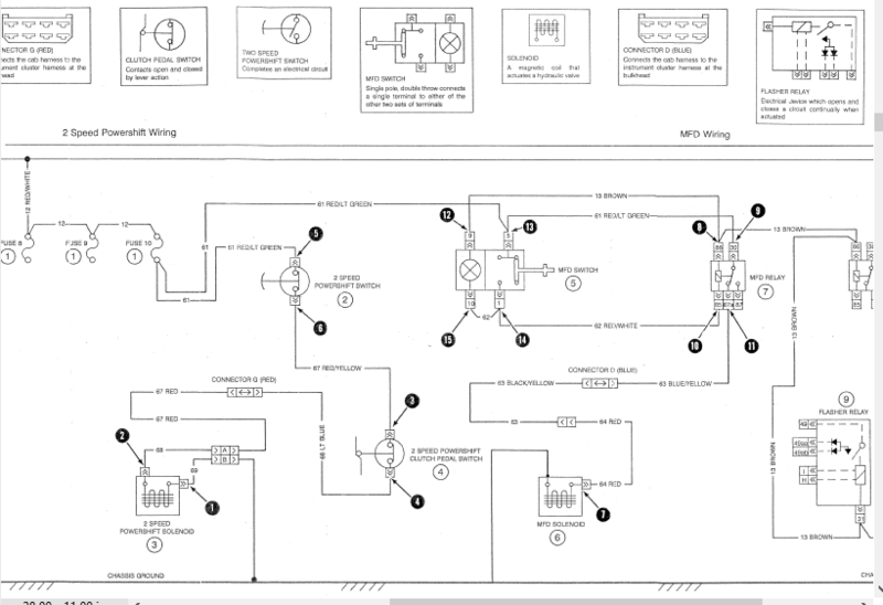
Instrukcja obsługi Deutz Fahr MP 122 124 125 OC
Typ oferty: Sprzedam/Oferuję
Region: Ostroróg, szamotulski, wielkopolskie
Instrukcja obsługi w języku POLSKIM do pras
MP 122 / 124 / 125/0C
DEUTZ FAHR
Dziękuję, że odczytujesz to ogłoszenie!
Pamiętaj, że jeżeli masz pytania - zawsze możesz się ze skontaktować
Instrukcja obsługi, DTR, instrukcja napraw, katalog części
Wyślij zapytanie - przygotujemy najkorzystniejszą ofertę
Posiadamy w magazynie wiele oryginalnych czasopism technicznych, które nie s + rozwiń
Zdjęcia
Lokalizacja na mapie
Publikacje Techniczne AgroBuch, Szamotuły, 64-500 Szamotuły
Wyświetleń: 26
Dodano/odnowiono: 29 Grudzień 2025 / 29 Styczeń 2026
Ogłoszenia Publikacje Techniczne AgroBuch
-
Instrukcje obsługi do ciągników
Proszę o kontakt
-
Katalogi części do ciągników Case
Proszę o kontakt
-
Instrukcje obsługi do ciągników
Proszę o kontakt
-
Katalogi części do ciągników Deutz
Proszę o kontakt
-
Katalogi części do ciągników Fiat
Proszę o kontakt
-
Instrukcje obsługi do ciągników
Proszę o kontakt









